CIP洗濯设备系列
用处及机能:
CIP洗濯系统俗称当场洗濯系统被宽泛的用于造药、食品、饮料、乳品、果汁、果浆、果酱、酒类等机械化水平较高的出产企业中。当场洗濯简称CIP,又称洗濯定位或定位洗濯(cleaning in place)。当场洗濯是指不用拆开或移动装置,即选取高温、高浓度的洗净液,对设备装置加以强力作用,把与物料的接触面洗净,对卫生级别要求较严格的出产设备的洗濯、净化。
特点:
1、CIP洗濯系统能保障肯定的洗濯成效,提高产品的安全性;
2、节约操作功夫,提高效能;节约劳动力,保险操作安全;
3、节约水、蒸汽等能源,削减洗涤剂用量;
4、出产设备可实现大型化,自动化水平高;
5、耽搁出产设备的使用寿命。
6、全自动CIP洗濯系统,能对洗濯液进行自动检测.加液.排放.显示与调整,对其运行靠得住,自动化水平高,操作单一,洗濯成效好,因而更切合现代大规模流体药品、食品加工工艺的卫生要求及出产环境要求。
CIP洗濯系统的组成:
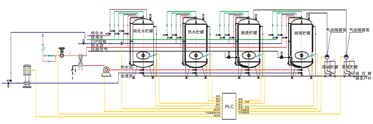
净水罐、热水罐、酸液罐、碱液罐、原酸罐、原碱罐、板式换热器、洗濯泵、循环泵、过滤器、气动隔阂泵、酸/碱浓度计、PH计、系吐洮收受路和电气节造系统。
种类:分为手动型、半自动型和自动型
规格型号及重要技术参数
| 参数/规格型号 | CIP500 | CIP1000 | CIP1000 | CIP10000 |
| 原酸罐容积 (L) | 50 | 80 | 100 | 200 |
| 原碱罐容积 (L) | 50 | 80 | 100 | 200 |
| 酸液罐容积 (L) | 500 | 1000 | 2000 | 10000 |
| 碱液罐容积 (L) | 500 | 1000 | 2000 | 10000 |
| 热水罐容积 (L) | 500 | 1000 | 2000 | 10000 |
| 净水罐容积 (L) | 500 | 1000 | 2000 | 10000 |
| 循环泵 (T/h) | 1.5 | 3.0 | 5.0 | 20.0 |
| 洗濯泵 (T/h) | 3.0 | 5.0 | 10.0 | 20.0 |
| 换热器 (m2) | 3.0 | 5.0 | 7.0 | 15.0 |
以上型号仅供参考,可按用户要求进行非标定造
